Stihl 041 Farm Boss Chainsaw Parts Diagram
Olivia Luz
We have 1 stihl 041 farm boss manual available for free pdf download.
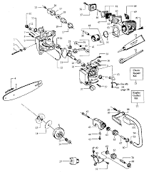
Stihl 041 chainsaw 041g parts diagram select a page from the stihl 041 chainsaw diagram to view the parts list and exploded view diagram. More stihl manuals. It is a free download available pdf format which has clear exploded diagrams to help you quickly find the part that you need to repair your stihl 041 farm boss chainsaw. For stihl chainsaws 041 041av 041avfb 041 sn 05816491 and up 041 farm boss.
Std steel steelbook stens step stepbystep stereo steven sthus sticker stickers stihl stihl chainsaw part stihl chainsaw parts stihl gas chainsaw stihl gas chainsaws stihl 0000 stihl weed stil sting stock stock stomp stone stones stop stop10 storage store stove straight strap straps stratton streak stretch strimmer string strip stroke strokes stud stump stumps style sucker suction sugihara. Stihl 041 fb parts list manual fb stands for farm boss suitable for most 041 chainsaws. Stihl chainsaw model 041 farm boss 041farmboss parts shop online or call 800 269 2609. Description stihl 041 fb chainsaw repair guide.
For stihl chainsaws 041 041av 041avfb 041 sn 05816491 and up 041 farm boss. Stihl ms 260 chainsaw ms260 farmboss parts diagram select a page from the stihl ms 260 chainsaw diagram to view the parts list and exploded view diagram. Free stihl chainsaw parts diagram look up. Stihl 041 impulse line replaces stihl part 0000 930 2803 high quality impulse line to replace stihl part 0000 930 2803 3 1x5 7x120mm.
RELATED ARTICLE :
Stihl 041 impulse line replaces stihl part 0000 930 2803 high quality impulse line to replace stihl part 0000 930 2803 3 1x5 7x120mm. Scanned document created date.Source : pinterest.com


